100寸触摸一体机价格、100寸触摸一体机价格、100寸触摸一体机价格报价,欢迎来电咨询,100寸触摸一体机价格厂家尽在广州市沃尔电子有限公司!
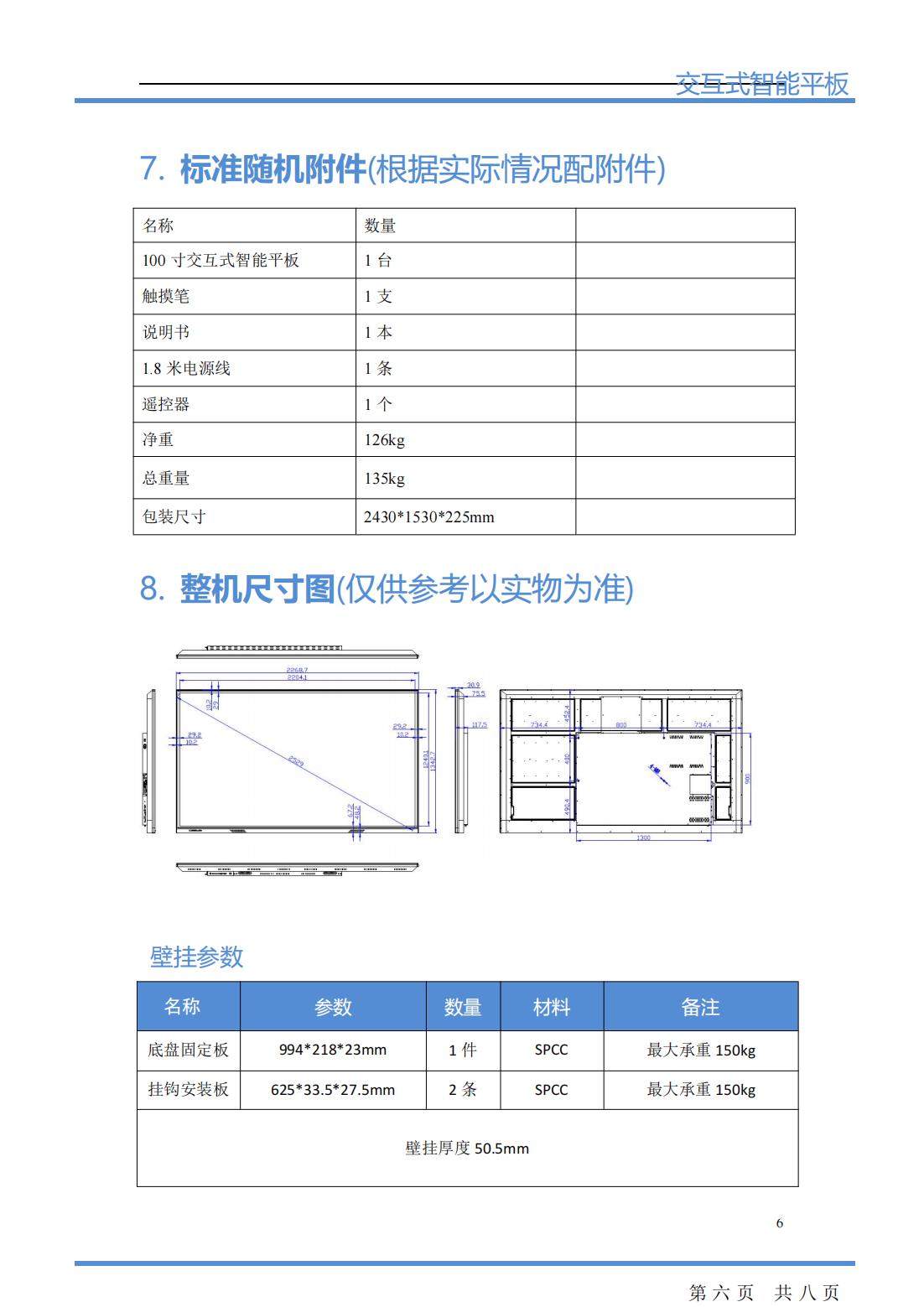
沃尔电子 100寸触摸一体机,100寸会议一体机,100寸交互平板,100寸教学一体机 标准100寸显示屏幕、分辨率3840X2160,亮度500CD/m2,双系统,安卓8.0以上系统,win7/wi10等旗舰版系统,CPU中央处理器i3,i5,i7,内存DDR4,4GB,8GB,16GB,32GB,硬盘SSD,128GB,256GB,512GB,1TGB。内置电子白板,多屏互动软件,一键无线投屏







